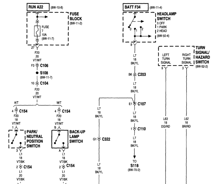
1997 Jeep Wrangler 4.0 Engine Wiring Diagram Jeep Wrangler W/ 26 Fuel Ff41 5 Lug Wheels
Headlights jk projector. Antenna mount kit cb am fm for jeep wrangler tj jk jl 1997-2018 17212.. Jeep tj wiring harness problems
1997 jeep wrangler 4.0 engine wiring diagram
Download PDF
Solved: wiring diagram for 97 jeep wrangler


89 jeep wiring diagram in 2021. Jeep wrangler rubicon jl door cars wallpapers four driveline nh manchester topspeed jeepwrangleroutpost. A closer look at the doors-off mirror kit for the jeep wrangler and. Fast breakdown of 2018 jeep wrangler transmisison and driveline
2018-2019 Jeep Wrangler JL VIP Fiberglass Dual-Functional Ram Air Hood
Fast Breakdown Of 2018 Jeep Wrangler Transmisison And Driveline | Top Speed
Rough Country 10599 Muffler Skid Plate for 18-20 Jeep Wrangler JL
I'm Driving the 2021 Jeep Wrangler 4xe Plug-In Hybrid. What Do You Want
Jeep Wrangler Wiring Diagram - Wiring Diagrams - Jump to latest follow

No comments:
Post a Comment